捷佳伟创获得实用新型专利授权:“一种真空反应腔及边缘式镀膜设备”
作者:小微
发表于:2026年02月10日
浏览量:78255

图片来源于网络,如有侵权,请联系删除
证券之星消息,根据天眼查APP数据显示捷佳伟创(300724)新获得一项实用新型专利授权,专利名为“一种真空反应腔及边缘式镀膜设备”,专利申请号为CN202520105390.2,授权日为2026年2月10日。
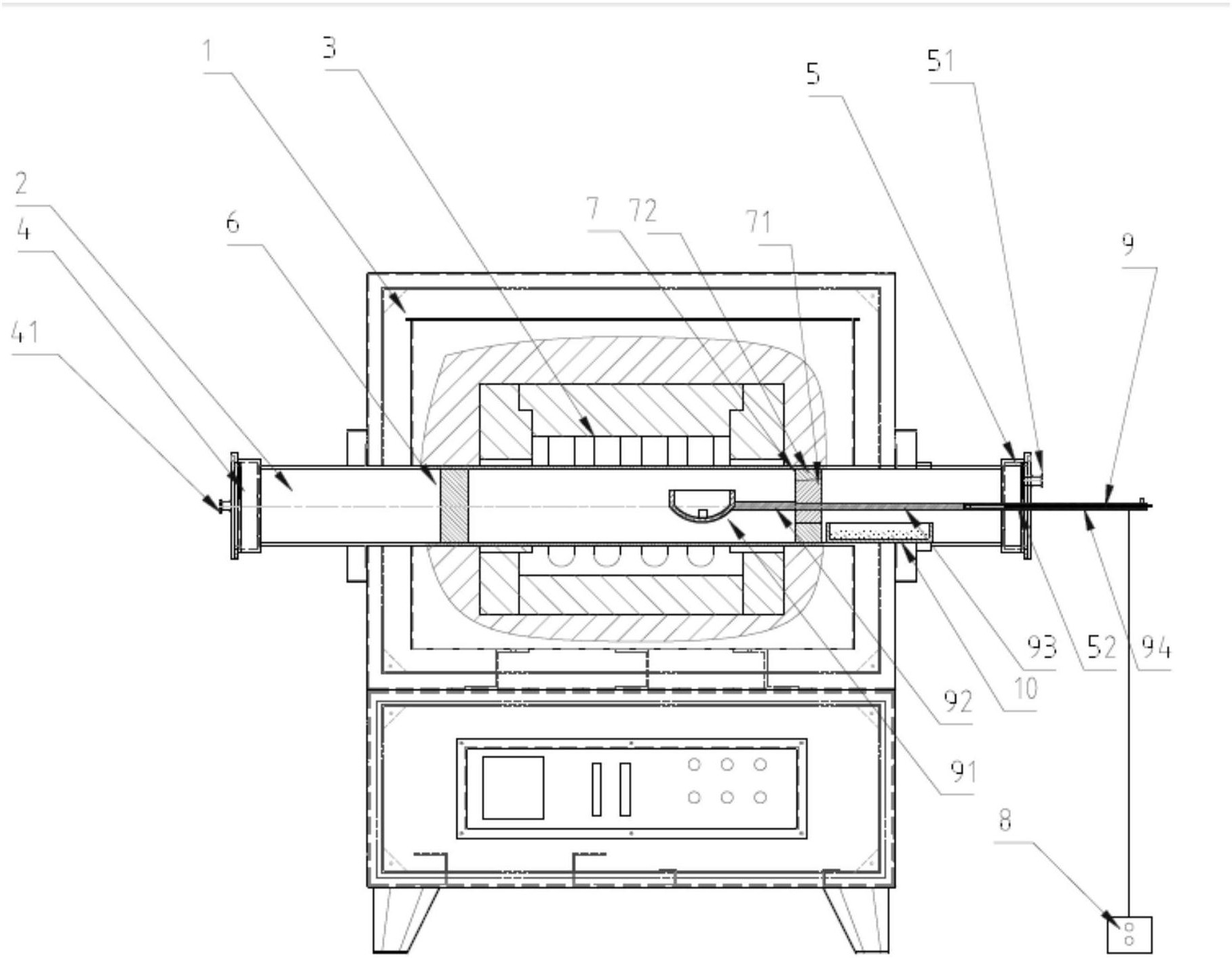
专利摘要:本实用新型公开了一种真空反应腔及边缘式镀膜设备,包括设有开口的腔体,该开口设有第一炉门法兰,还包括组成炉门机构的控制结构、支撑底座和炉门本体;控制结构的输出端连接有支撑底座,支撑底座顶部的两侧设有炉门承载板,炉门承载板与炉门本体连接,炉门本体能通过控制结构与第一炉门法兰匹配贴合;支撑底座对应炉门承载板的位置均水平设有至少一个水平调节装置和垂直设有至少一个垂直调节装置。本实用新型通过水平调节装置和垂直调节装置在水平方向和垂直方向上调节炉门本体相对第一炉门法兰的位置,来调节炉门本体与第一炉门法兰的平行度,使炉门本体能与第一炉门法兰紧密贴合,使真空反应腔获得理想的真空度,提高其钝化镀膜处理效果。
今年以来捷佳伟创新获得专利授权22个,较去年同期增加了57.14%。结合公司2025年中报财务数据,2025上半年公司在研发方面投入了2.78亿元,同比减4.47%。
通过天眼查大数据分析,深圳市捷佳伟创新能源装备股份有限公司共对外投资了16家企业,参与招投标项目96次;财产线索方面有商标信息16条,专利信息555条,著作权信息79条;此外企业还拥有行政许可72个。
数据来源:天眼查APP
以上内容为证券之星据公开信息整理,由AI算法生成(网信算备310104345710301240019号),不构成投资建议。
