安科瑞获得发明专利授权:“基于计量芯片测量通道的切换系统及其相序调整方法”
作者:小微
发表于:2025年07月26日
浏览量:67080

图片来源于网络,如有侵权,请联系删除
证券之星消息,根据天眼查APP数据显示安科瑞(300286)新获得一项发明专利授权,专利名为“基于计量芯片测量通道的切换系统及其相序调整方法”,专利申请号为CN202111158208.2,授权日为2025年7月25日。
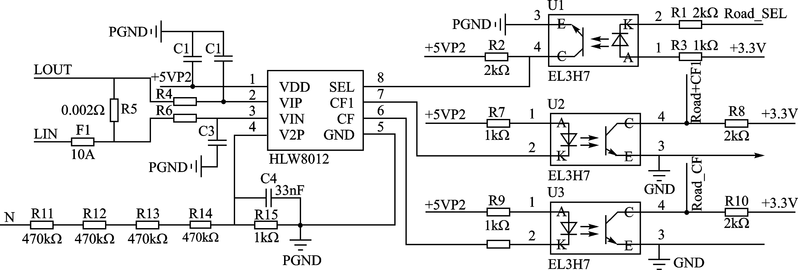
专利摘要:本发明涉及的一种基于计量芯片测量通道的切换系统及其相序调整方法,它包括MCU单元、计量芯片单元、电压采样单元、电流采样单元和相序调整单元;所述MCU单元和计量芯片单元采用SPI方式进行数据通信;所述MCU单元还与相序调整单元连接,所述相序调整单元根据来自MCU单元相序调整命令进行对应的相序调整;所述相序调整单元和电流采样单元与计量芯片单元连接;所述电压采样单元和相序调整单元连接,所述电压采样单元将电网强电信号变换成计量芯片单元采样范围内的电压信号并接入相序调整单元。本发明在保证计量芯片高精度测量的前提下,通过设计的采样通道切换电路实现通道的物理切换达到相许调整的目的。

图片来源于网络,如有侵权,请联系删除
今年以来安科瑞新获得专利授权30个,较去年同期减少了34.78%。结合公司2024年年报财务数据,2024年公司在研发方面投入了1.16亿元,同比减9.08%。
通过天眼查大数据分析,安科瑞电气股份有限公司共对外投资了20家企业,参与招投标项目482次;财产线索方面有商标信息148条,专利信息871条,著作权信息473条;此外企业还拥有行政许可57个。
数据来源:天眼查APP
以上内容为证券之星据公开信息整理,由AI算法生成(网信算备310104345710301240019号),不构成投资建议。
