飞科电器获得发明专利授权:“带USB接口的防水电源适配器”
作者:小微
发表于:2025年05月28日
浏览量:64387

图片来源于网络,如有侵权,请联系删除
证券之星消息,根据天眼查APP数据显示飞科电器(603868)新获得一项发明专利授权,专利名为“带USB接口的防水电源适配器”,专利申请号为CN201510228346.1,授权日为2025年5月27日。
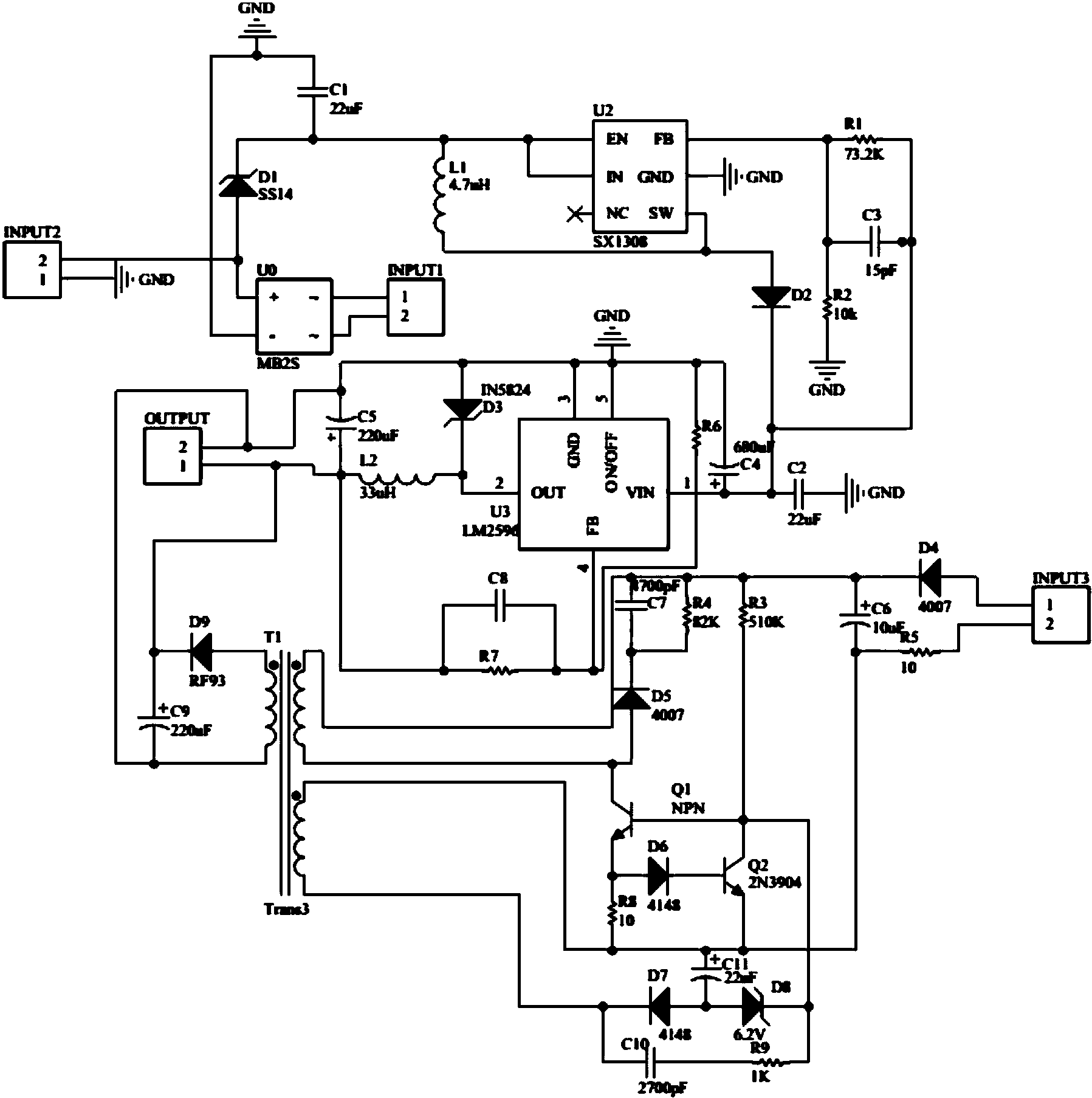
专利摘要:本发明公开了带USB接口的防水电源适配器,包括电源适配器本体,所述电源适配器本体包括一壳体和固定于所述壳体内的一PCB组件,所述壳体一端形成一USB接口,所述USB接口与所述PCB组件之间设置有一防水结构,用于防止液体从所述USB接口进入所述防水电源适配器内部,且所述防水结构与所述壳体间为密封连接。本发明解决的首要技术问题是提供带USB接口的防水电源适配器,防止液体从USB连接插座口直接流入到内部电子元件和PCB线路板上,具有使用更加安全可靠的优点。
今年以来飞科电器新获得专利授权36个,较去年同期减少了37.93%。结合公司2024年年报财务数据,2024年公司在研发方面投入了9641.53万元,同比减2.88%。
数据来源:天眼查APP
以上内容为证券之星据公开信息整理,由AI算法生成(网信算备310104345710301240019号),不构成投资建议。
