横河精密获得发明专利授权:“一种用于传动套的螺旋抽芯模具”
作者:小微
发表于:2026年01月31日
浏览量:58579

图片来源于网络,如有侵权,请联系删除
证券之星消息,根据天眼查APP数据显示横河精密(300539)新获得一项发明专利授权,专利名为“一种用于传动套的螺旋抽芯模具”,专利申请号为CN202010834849.4,授权日为2026年1月30日。
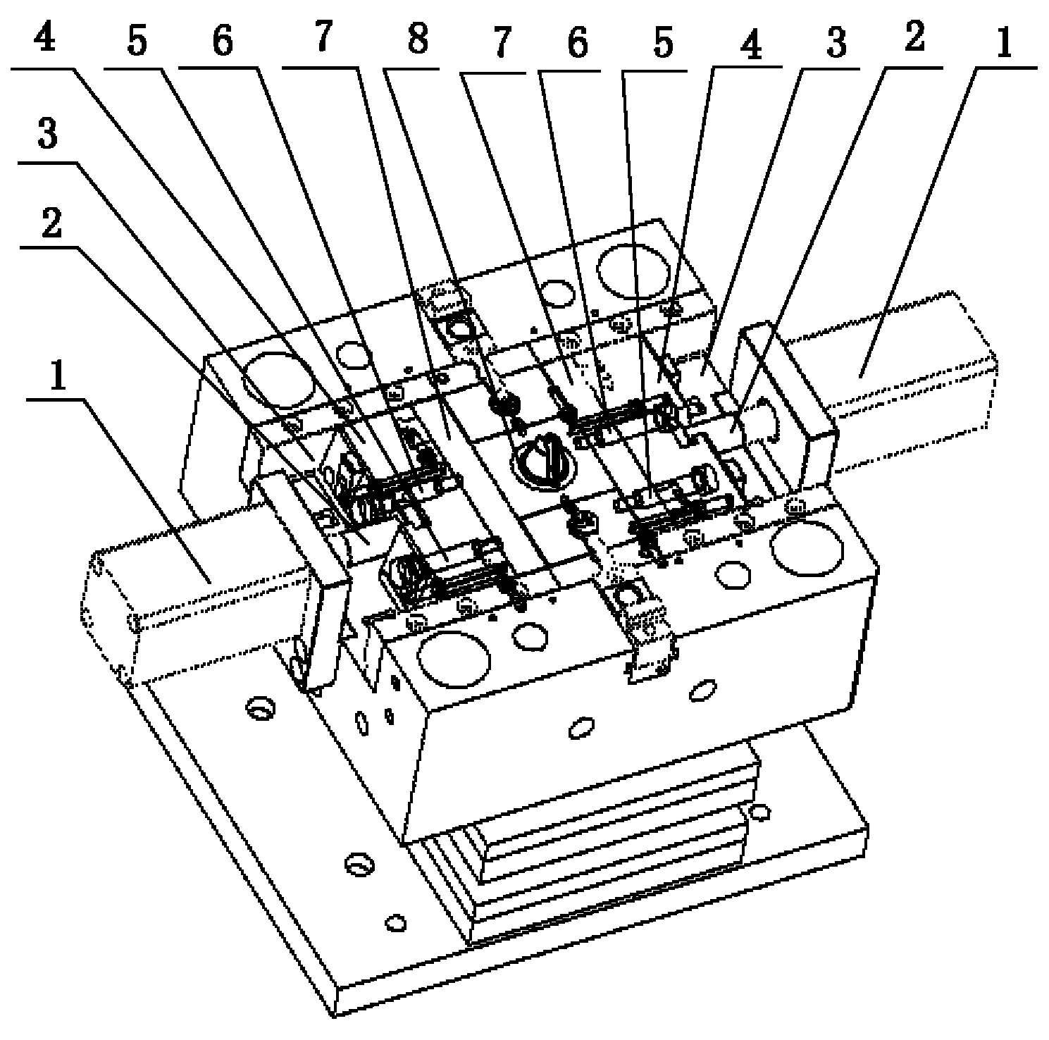
专利摘要:本发明公开了一种用于传动套的螺旋抽芯模具,包括上模组件和下模组件,上模组件设有动模板,下模组件设有定模板,动模板设有上模仁,定模板设有下模仁和下模镶件,下模组件内还设有螺纹杆,螺纹杆设有上部外螺纹,下模镶件开设有贯穿孔,螺纹杆穿过贯穿孔;螺纹杆内开设有冷却水通道,螺纹杆侧壁开设有进水口和出水口,下模组件内设有输水部件,输水部件与进水口、出水口相连通;下模组件设有驱动机构;下模组件包括有顶块,顶块设有司筒,司筒套于螺纹杆外壁。本发明具有以下优点和效果:本方案利用新机械结构,具有快速成型、高精度的效果。

图片来源于网络,如有侵权,请联系删除
今年以来横河精密新获得专利授权1个。结合公司2025年中报财务数据,2025上半年公司在研发方面投入了1820.93万元,同比增5.77%。

图片来源于网络,如有侵权,请联系删除
通过天眼查大数据分析,宁波横河精密工业股份有限公司共对外投资了16家企业,参与招投标项目19次;财产线索方面有商标信息21条,专利信息176条,著作权信息1条;此外企业还拥有行政许可13个。
数据来源:天眼查APP
以上内容为证券之星据公开信息整理,由AI算法生成(网信算备310104345710301240019号),不构成投资建议。
