中国汽研获得发明专利授权:“采用试验台架进行商用车制动器带轮边电驱动总成的实车模拟试验方法”
作者:小微
发表于:2025年08月05日
浏览量:67916

图片来源于网络,如有侵权,请联系删除
证券之星消息,根据天眼查APP数据显示中国汽研(601965)新获得一项发明专利授权,专利名为“采用试验台架进行商用车制动器带轮边电驱动总成的实车模拟试验方法”,专利申请号为CN202211314064.X,授权日为2025年8月5日。
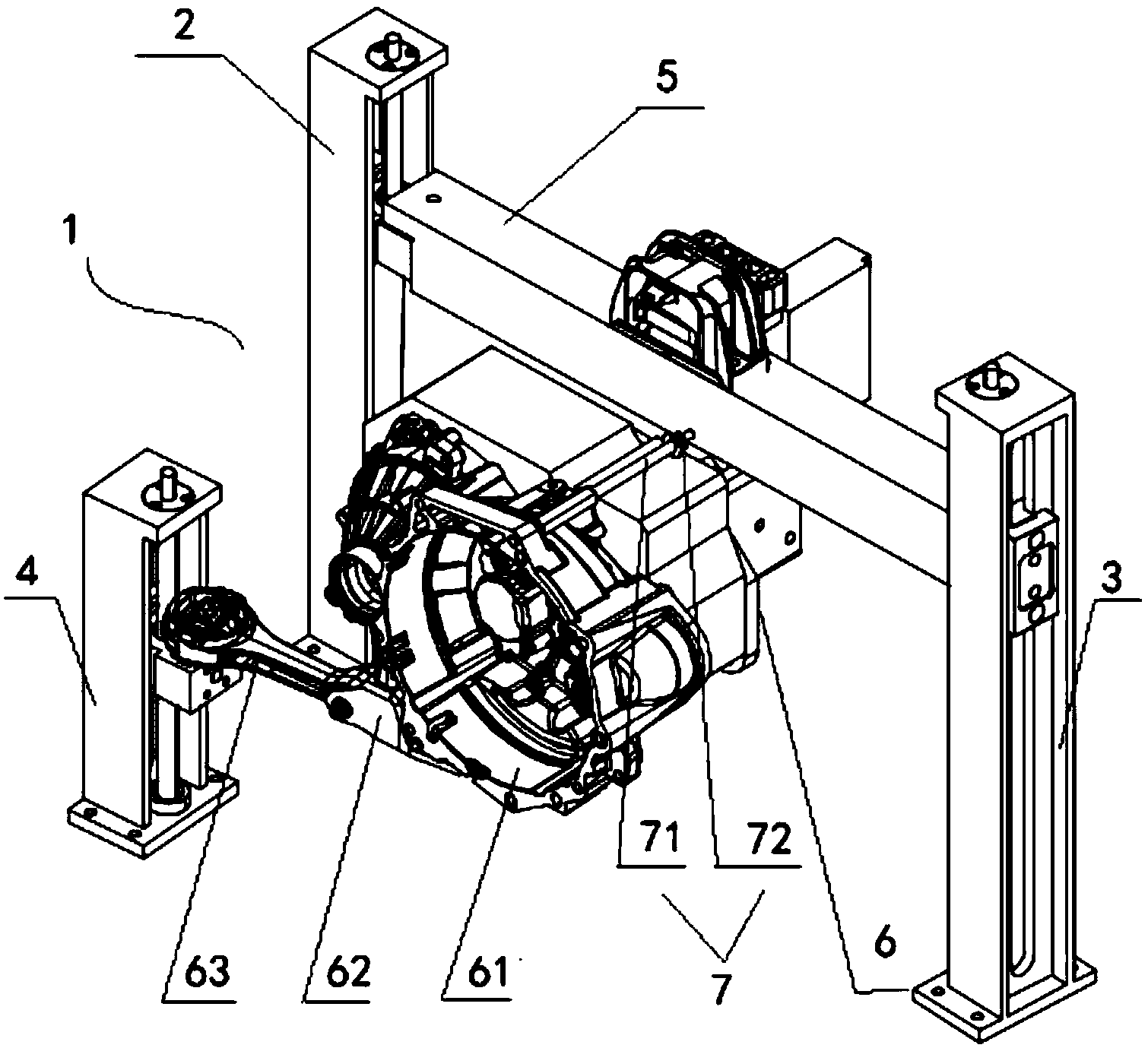
专利摘要:本发明公开了一种采用试验台架进行商用车制动器带轮边电驱动总成的实车模拟试验方法,将样件模拟实车状态安装在安装台上,同时样件的输出轴与第一传动轴连接,连接好电池模拟器、液体冷却循环系统、制动压力模拟器、控制系统,所述实车状态为通过调整飞轮轴上能与其一起转动的飞轮盘的数量,并通过控制系统和台架电机模拟转动惯量,使主轴上有与样件安装在实车上时启动相同的载荷;然后进行样件的加速性能试验,或陡坡起步模拟试验,或制动性能试验,或道路耐久试验,或再生制动模拟试验。对于制动和驱动集成的部件,能在同一个试验台架上进行制动和驱动试验,只需一次安装完成多项试验,减少试验的繁琐,还可进行制动与驱动相结合的系统级试验。

图片来源于网络,如有侵权,请联系删除
今年以来中国汽研新获得专利授权86个,较去年同期减少了29.51%。结合公司2024年年报财务数据,2024年公司在研发方面投入了2.78亿元,同比增7.86%。

图片来源于网络,如有侵权,请联系删除
通过天眼查大数据分析,中国汽车工程研究院股份有限公司共对外投资了37家企业,参与招投标项目7993次;财产线索方面有商标信息603条,专利信息1856条,著作权信息376条;此外企业还拥有行政许可98个。
数据来源:天眼查APP
以上内容为证券之星据公开信息整理,由AI算法生成(网信算备310104345710301240019号),不构成投资建议。
