中科蓝讯获得发明专利授权:“一种耳机降噪电路和耳机设备”
作者:小微
发表于:2025年06月14日
浏览量:76183

图片来源于网络,如有侵权,请联系删除
证券之星消息,根据天眼查APP数据显示中科蓝讯(688332)新获得一项发明专利授权,专利名为“一种耳机降噪电路和耳机设备”,专利申请号为CN202011195087.4,授权日为2025年6月13日。
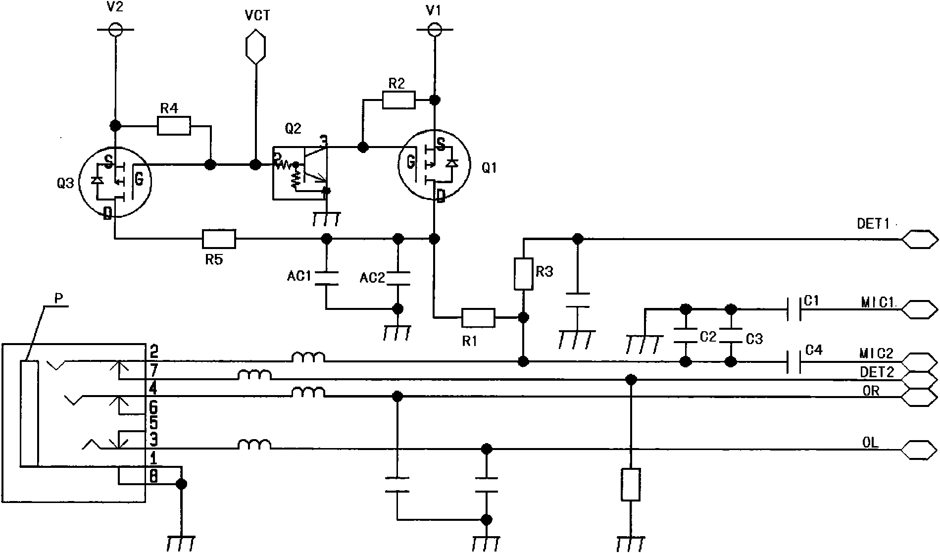
专利摘要:本发明涉及一种耳机降噪电路和耳机设备,该电路包括反馈降噪电路、前馈降噪电路、降噪自启动电路以及第一控制器,降噪自启动电路用于根据反馈噪声信号和前馈噪声信号确定是否启动降噪功能,因此,该耳机降噪电路仅仅通过电路就可以实现降噪自启动功能,且还以两类噪声信号作为启动降噪功能的依据,其能更加精确地启动降噪功能,进而能够及时降噪,同时,当降噪自启动电路确定启动降噪功能时,第一控制器用于根据反馈噪声信号和前馈噪声信号分别控制反馈降噪电路和前馈降噪电路的工作状态,以使得反馈降噪电路和前馈降噪电路分别对各自的噪声信号进行降噪,进一步提高降噪功能,以及有效提高用户体验。

图片来源于网络,如有侵权,请联系删除
今年以来中科蓝讯新获得专利授权6个,较去年同期减少了40%。结合公司2024年年报财务数据,2024年公司在研发方面投入了1.62亿元,同比减1.19%。

图片来源于网络,如有侵权,请联系删除
数据来源:天眼查APP
以上内容为证券之星据公开信息整理,由AI算法生成(网信算备310104345710301240019号),不构成投资建议。
