京东方A获得发明专利授权:“栅极驱动电路及其驱动方法和显示面板”
作者:小微
发表于:2025年05月28日
浏览量:49349

图片来源于网络,如有侵权,请联系删除
证券之星消息,根据天眼查APP数据显示京东方A(000725)新获得一项发明专利授权,专利名为“栅极驱动电路及其驱动方法和显示面板”,专利申请号为CN202180000088.5,授权日为2025年5月27日。
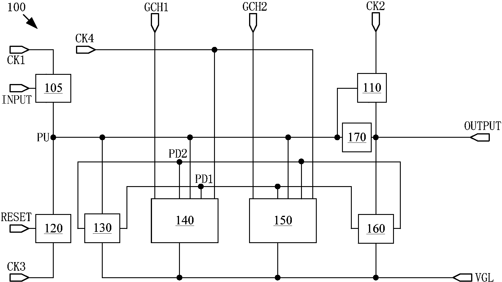
专利摘要:提供了一种栅极驱动电路(100)及其驱动方法和显示面板。栅极驱动电路(100)包括级联连接的多个驱动单元(DU1、DU2),每个驱动单元(DU1、DU2)包括:N个移位寄存器单元(120_1……120_8);以及模式控制电路(110_1、110_2),与N个移位寄存器单元(120_1……120_8)连接,模式控制电路(110_1、110_2)被配置为接收针对该驱动单元(DU1、DU2)的控制信号(SW1、SW2),并在控制信号(SW1、SW2)的控制下以多个分辨率模式之一对N个移位寄存器单元(120_1……120_8)进行连接。

图片来源于网络,如有侵权,请联系删除
今年以来京东方A新获得专利授权1681个,较去年同期增加了3.57%。结合公司2024年年报财务数据,2024年公司在研发方面投入了131.23亿元,同比增15.94%。

图片来源于网络,如有侵权,请联系删除
数据来源:天眼查APP
以上内容为证券之星据公开信息整理,由AI算法生成(网信算备310104345710301240019号),不构成投资建议。
